Hybrid (mechanical and natural) ventilation of a school building

Project facts
Type: Educational, whole-building studies
Consultant: EQUA
Client: Betic
Summary: A mechanical and natural ventilation system in a schoolhouse is improved by introduction of a well-designed control system.
Challenge
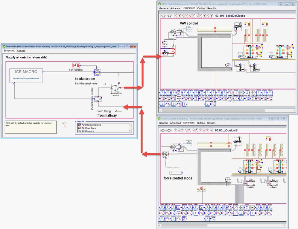
Each corridor on every floor of a zero energy schoolhouse is connected to a central staircase. All classrooms and offices are supplied with air directly from the adjacent corridors by use of fans. Depending on various control strategies the corridors are either ventilated naturally or mechanically. The central staircase works as an exhaust duct for both natural and mechanical ventilation.
With no active cooling and only reheat coils in the supply air, pleasant room temperatures and air quality must be maintained whenever a classroom or office is occupied. However, slightly lower temperatures are accepted in the corridors and the staircases.
Solution
A key feature to this ventilation concept is a building control system which takes into account all the interactions between various control strategies, the plant, the building, air flows inside of the building and not least the building occupants.
Most of the local controls are fed back to the central building control. Some of the most important local macros in turn control:
|
To minimize work on the Advanced Level, fans between corridors and classrooms where modelled with central AHUs.

Result
The model was used to:
|
Deutsch
English
Svenska
Suomi
中文(简体) 